test
Retentions-/Rückhaltezisterne AQa.Line 2000 L inkl. Abdeckung
- Schnelle & kostenlose Lieferung
innerhalb Deutschlands - Zisternen direkt vom Hersteller
Familiengeführtes Unternehmen aus Schwerin - Premium Produktqualität
Bis zu 25 Jahre Garantie auf den Behälter
1.259,00 €*
Versandkostenfrei
Sofort verfügbar, Lieferzeit: 7 Arbeitstage
- Anschlussfertige Retentionszisterne inkl. höhenverstellbarer Abdeckung
- Ideal für die Regenwasserrückhaltung und Regenwassernutzung (optional)
- Einfacher Erdeinbau dank integrierter Tragegriffe und Kranösen
- Zukunftsweisendes Produkt mit 25 Jahren Garantie auf die Zisterne
- Enthaltene Tankabdeckung ist höhenverstellbar, begehbar und kindersicher
- Stabil und umweltfreundlich – nahtlos hergestellt aus 100% recyclebarem Polyethylen
In immer mehr Gemeinden wird die Regenwasserrückhaltung vorgeschrieben um das öffentliche Kanalnetz bei Starkregenereignissen zu entlasten und vor Überflutungen zu schützen. AQa.Line Retentionszisternen sind hierfür bestens geeignet, da diese das gesammelte Regenwasser mengenbegrenzt und zeitversetzt an die Kanalisation abgeben. Optional kann ein Teil des Tankvolumens für die spätere Regenwassernutzung im Garten gespeichert werden (50% Nutzvolumen).
Der Ablaufwert der schwimmenden Retentionsdrossel wird werkseitig nach den Vorgaben der Gemeinde (Bebauungsplan) von 0,1 bis 2,5 Liter/Sekunde eingestellt (bitte während des Bestellvorgangs in das Kommentarfeld eingeben). Die Verbindung mehrerer Tanks hinter- oder nebeneinander ist problemlos möglich.
Bitte beachten Sie in jedem Fall die Tiefe des Regenwasserkanals vor Ort bzw. die Tiefe des Ablaufs der Retentionsdrossel.
Ggf. ist der Anschluss einer Retentionszisterne an den Kanal nur bedingt bzw. nur mit einer Hebeanlage möglich. Bei Fragen hierzu oder zu alternativen Nutzvolumen, rufen Sie uns gerne an.
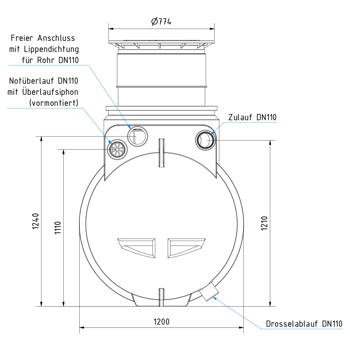
- AQa.Line Retentionszisterne 2000 L (inkl. vormontierter Anschlüsse)
- schwimmende Retentionsdrossel (vormontiert)
- Filterkorb (vormontiert; Maschenweite: 0,9 mm)
- Überlaufsiphon mit Kleintierschutz (vormontiert)
- teleskopierbare Abdeckung - kindersicher und begehbar bis 200 kg
| AQa.Line Zisterne 2.000 L | Höhe | Breite | Länge | Gewicht |
|---|---|---|---|---|
| mit teleskopierbarer Abdeckung | 1735-1935 mm | 1200 mm | 2300 mm | 90 kg |
| mit Teleskopdom begehbar | 1975-2175 mm | 1200 mm | 2300 mm | 90 kg |
| mit Teleskopdom befahrbar | 2075-2175 mm | 1200 mm | 2300 mm | 90 kg |
Hinweis: Die Skizzen mit den Positionen der Anschlussflächen befinden sich oben in der Bildergalerie sowie im Datenblatt.
Funktion und Bestandteile einer Retentionszisterne mit 100% Rückhaltevolumen
Funktionsbeispiel basierend auf einer Retentionszisterne mit 4450 L Volumen. Bestandteile und Funktion sind bei allen Retentionszisternen identisch.
Zubehör
Garten-Ausbaupaket "GAP X80" ideal als Ergänzung zu einer Retentionszisterne oder zum Nachrüsten einer Regenwasserzisterne.
- Verlängerung für AQa.Line Domschacht
- Stapelbar und kürzbar
- Für DN 600 Dom ab 03/2021
- Einfache Anpassung der Einbautiefe
Test
Wasseranschluss-Box mit Kunststoffabdeckung; für 2 Wasseranschlüsse in den Farben Granitgrau und Grün
Garten-Ausbaupaket "GAP X120" als Ergänzung zu einer Retentionszisterne oder zum Nachrüsten einer Regenwasserzisterne.